您現在的位置:首頁環保窯爐鍋爐
一、產品概述(脫硝激光氨逃逸在線監測系統(高溫抽取激光))
脫硝氨逃逸一體化在線監測系統(DST-1100型)包括預處理系統、氣體分析儀和數據處理與顯示三大部分。本系統取樣方式為在位式高溫伴熱抽取。本系統基本原理是基于紫外差分吸收光譜(DOAS)技術及可調諧半導體激光吸收光譜(TDLAS)技術;紫外差分吸收光譜技術原理為,同種氣體在不同光譜波段有不同的吸收,不同氣體在同一光譜波段的吸收疊加作用,通過對連續光譜做算法分析,可同時測量多種氣體,有效避免各組分相互干擾;激光光譜氣體分析技術已經廣泛應用到對于靈敏度、響應時間、背景氣體免干擾等有較高要求的各種氣體監測領域。
德斯特公司生產的脫硝氨逃逸一體化在線監測系統(DST-1100型)耐用且易于安裝,特別適用于眾多環保及工業過程氣體排放監測,包括燃煤發電廠、鋁廠、鋼鐵廠、冶煉廠、垃圾發電站、水泥廠和化工廠等。
二、氨逃逸形成及危害
2.1 氨逃逸的形成
在大規模燃燒礦物燃料的領域,例如燃煤發電廠,都安裝了前燃(pre-combustion)或后燃(post combustion)NOX 控制技術的脫硝裝置,后燃NOX 控制技術可以是選擇性催化還原法(SCR) 也可以是選擇性非催化還原法(SNCR),但是無論應用哪種方法,基本原理都是一樣的,即都是通過往反應器內注入氨與氮氧化物發生反應,產生水和N2。注入的氨可以直接以NH3 的形式,也可以先通過尿素分解釋放NH3 再注入的形式,無論何種形式,控制好氨的注入總量和氨在反應區的空間分布便可以降低NOX 排放。
氨注入的過少,就會降低還原轉化效率,氨注入的過量,不但不能減少NOX 排放,反而因為過量的氨導致NH3逃逸出反應區,逃逸的NH3 會與工藝流程中產生的硫酸鹽發生反應生成硫酸銨鹽,且主要都是重硫酸銨鹽。銨鹽會在鍋爐尾部煙道下游固體部件表面上沉淀,例如沉淀在空氣預熱器扇面上,會造成嚴重的設備腐蝕,并因此帶來昂貴的維護費用。在反應區注入的氨分布情況與NO和NO2 的分布不匹配時也會出現氨逃逸現象,高氨量逃逸的情況伴隨著NOX 轉化效率降低是一種非常糟糕的現象和很嚴重的問題。
2.2氨逃逸的危害
(1)逃逸掉的氨氣造成資金的浪費,環境污染;
(2)氨逃逸將腐蝕催化劑模塊,造成催化劑失活(即失效)和堵塞,大大縮短催化劑壽命;
(3)逃逸的氨氣,會與空氣中的SO3生成硫酸氨鹽(具有腐蝕性和粘結性)使位于脫銷下游的空預器蓄熱原件堵塞與腐蝕;
(4)過量的逃逸氨會被飛灰吸收,導致加氣塊(灰磚)無法銷售;
三、規格與技術參數
指標 | 測量范圍 | 0-10.0ppm,0-50.0ppm 可根據用戶需求設定 |
響應時間 | <20s | |
線性誤差 | <1%F.S | |
零點漂移 | 可忽略 | |
重復性 | 1%F.S | |
標定 | 出廠時已標定,無需定期標定 | |
輸入和輸出信號 | 模擬量輸出 | 4-20mA電流環,750ΩMax,隔離 |
報警輸出 | 濃度超限、溫度異常、系統故障均報警 | |
繼電器輸出 | 2路(可擴展),觸點負載24V,2A | |
通訊接口 | RS485,雙端隔離 | |
工作條件 | 環境溫度 | (-20)~50℃ |
保護等級 | IP54 | |
工作電壓 | 200V-240VAC,50Hz | |
電源功耗 | ≤3000W | |
預熱時間 | 1小時 | |
伴熱溫度 | 180℃~240℃ | |
采樣流量 | 2~20L/min(可根據用戶需求定制) | |
尺寸 | 機柜 | 1000×1200×600mm(默認尺寸) |
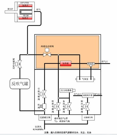
四、氨逃逸系統流路簡介
本系統的流路主要由測量流路、反吹流路、標定流路及渦旋制冷流路組成,具體流路示意圖如下:

系統進入測量狀態后,電動執行機構帶動兩通球閥切換到采樣氣路,在引流泵的作用下,被測氣體經由探頭桿、兩通球閥、二級過濾器進入NH3模塊,NH3模塊利用吸收技術(TDLAS)對氣體進行分析,NH3的濃度(高溫熱濕法),排空。
系統定時會進入校準狀態進行自動調零,此時兩通球閥切換到校準氣路,校準電磁閥打開,在引流泵的作用下,環境空氣經過濾器、校準電磁閥后進入氣體室,對氣體室中殘留的被測氣體進行吹掃,吹掃干凈后,對NH3進行一次調零;系統定時會進入反吹狀態對采樣探頭進行反吹,此時兩通球閥切換到反吹氣路,反吹電磁閥打開,系統自動控制反吹電磁閥開或關,實現對探頭過濾器的反吹。
五、氨逃逸系統取樣及機箱
取樣探頭
裝置是具有電加熱伴熱功能,能自行加熱并實施溫控的采樣裝置。該裝置適用于高溫、高粉塵濃度的SCR/SNCR裝置入口和出口樣氣的連續采集。示意圖如下:

結構:裝置由取樣管、探頭法蘭、取樣法蘭管、濾芯、反吹氣罐、反吹電磁閥、探頭保溫罩等組成。
機箱規格:
本系統集成于機箱,具體尺寸如下圖:

版權所有:鄭州中威環保設備有限公司 豫ICP備19039779號-2